本系列减速器包括:
CWU—蜗杆在蜗轮之下的圆弧圆柱蜗杆减速器;
CWS—蜗杆在蜗轮之侧的圆弧圆柱蜗杆减速器;
CWO—蜗杆在蜗轮之上的圆弧圆柱蜗杆减速器;
安装图:
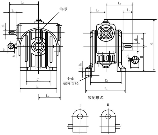
CWS63—CWS100型减速器外形和安装尺寸

CWU63—CWU100型减速器外形和安装尺寸

CWO63—CWO100型减速器外形和安装尺寸

本系列减速器包括:
CWU—蜗杆在蜗轮之下的圆弧圆柱蜗杆减速器;
CWS—蜗杆在蜗轮之侧的圆弧圆柱蜗杆减速器;
CWO—蜗杆在蜗轮之上的圆弧圆柱蜗杆减速器;
安装图:
CWS63—CWS100型减速器外形和安装尺寸

CWU63—CWU100型减速器外形和安装尺寸

CWO63—CWO100型减速器外形和安装尺寸
